Results 1 to 4 of 4

Thread: Satlook micro g2

  1. #1
    Standard RSP member cipryDXfeed's Avatar
    Join Date
    17 Nov 2008
    Location
    ALBA
    Posts
    1,838
    Mentioned
    1 Post(s)
    Rep Power
    78

    Default Satlook micro g2

    Am un aparat de masura semnal satelit satlook micro g2 , nu mai porneste se restarteaza incontinuu.

    Sa fie din soft? Se poate actualiza din nou softul pe el?

  2. #2
    RSP Enigma Team & GM
    Join Date
    04 Jun 2007
    Location
    bucuresti
    Posts
    797
    Mentioned
    30 Post(s)
    Rep Power
    88

    Default

    in Romania aparatele satlook au fost comercializate de peruvision , incearca sa iei legatura cu ei si sa-ti spuna daca au solutie pentru aparatul tau . Daca pot sa ti-l repare nu uita sa intrebi de la inceput de pret ca sa nu ai surprize.
    pasionat de profesie ; Dbox2,Vu Ultimo,Vu Solo2, Vu Duo2,Sab Triple tuner Hd;
    offset 80cm,90cm,100cm,110cm,125cm toate produse de famaval ;
    simetrica 120cm,150cm,180cm ,260cm

  3. #3
    Standard RSP member
    Join Date
    09 Aug 2010
    Posts
    55
    Mentioned
    0 Post(s)
    Rep Power
    57

    Default

    Da se poate resofta. Eu am rezolvat unul. Uita-te pe site-ul producatorului ca o sa gasesti softul necesar si programul. siteul este ...emitor.se cu www in fata. am scruis asa pt ca nu stiu daca am voie sa dau linkul corect pe site. Vezi la sectiunea SUPORT. in rest ... MULT SUCCES !

  4. #4
    Golden Member
    Join Date
    18 Mar 2007
    Location
    Baia-Mare
    Posts
    7,996
    Mentioned
    16 Post(s)
    Rep Power
    154

    Thumbs up

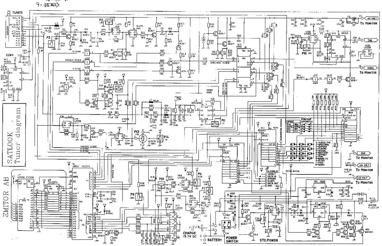
    poate cineva are nevoie de schema electronica --satlook FTA --



Posting Permissions

  • You may not post new threads
  • You may not post replies
  • You may not post attachments
  • You may not edit your posts
  •